de Patas para Botonadora Brother BSA-010A
catalogo de Patas para Botonadora Brother BSA-010A
Accesorios prácticos para colocar botones con precisión
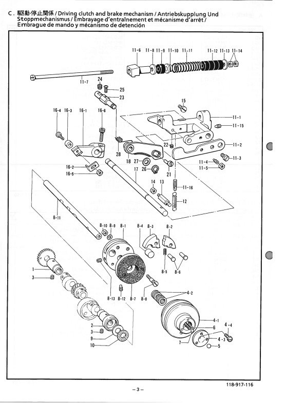
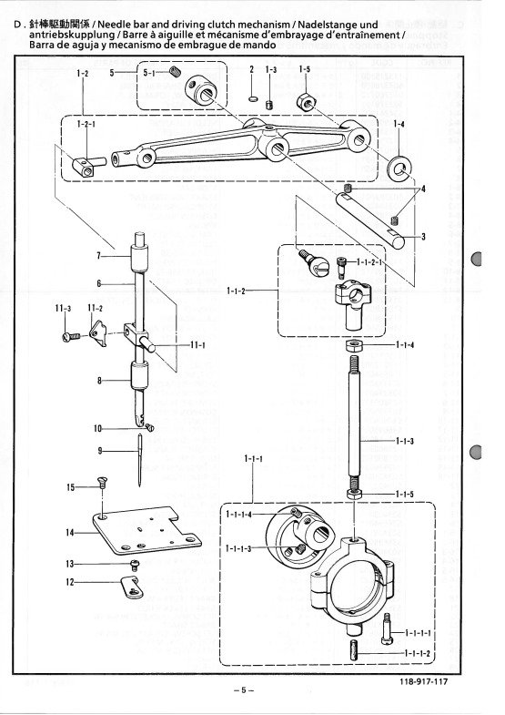
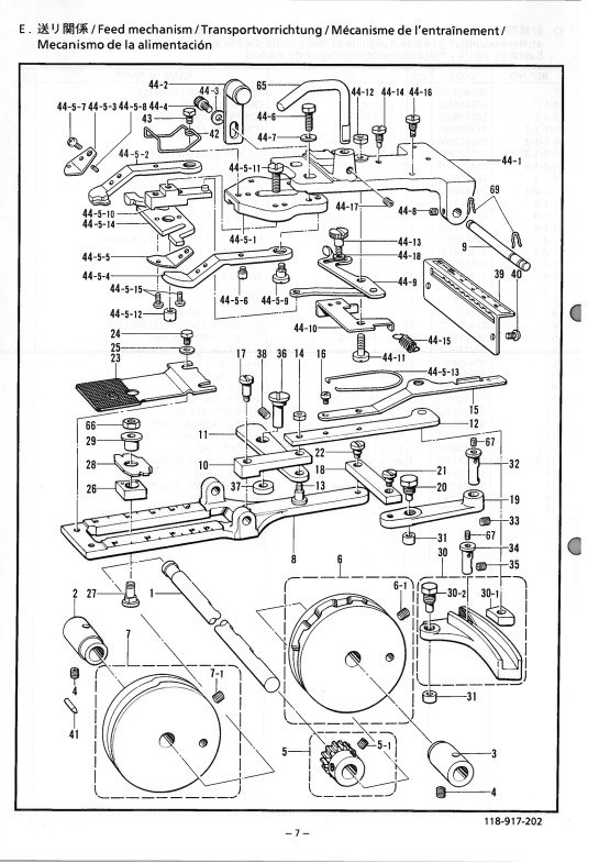
El Catálogo de Patas para Botonadora Brother BSA-010A incluye varios modelos de prensatelas diseñados para facilitar la colocación de botones. Estas patas son repuestos esenciales que ayudan a lograr una costura rápida, firme y con un buen acabado. Están hechas para adaptarse fácilmente a la máquina Brother BSA-010A sin necesidad de hacer cambios complicados Catálogo de Patas para Botonadora Brother BSA-010A
Diferentes modelos para distintas tareas Catálogo de Patas para Botonadora Brother BSA-010A
El catálogo ofrece una variedad de patas. Algunas son planas, otras curvas, y también hay prensatelas con guía o base reforzada. Cada tipo cumple una función específica. Por ejemplo, algunas se usan para botones planos, otras para botones con vástago y algunas más para botones de presión Catálogo de Patas para Botonadora Brother BSA-010A
Gracias a su diseño, estas patas ayudan a trabajar sobre telas finas, medianas o gruesas. También permiten ajustar la presión y la altura para adaptarse mejor al material. Esto evita errores, como que el botón se mueva o quede mal colocado Catálogo de Patas para Botonadora Brother BSA-010A
Material fuerte y larga duración
Las patas están hechas con materiales resistentes como acero tratado. Esto las hace ideales para el trabajo diario en talleres y fábricas. Pueden soportar muchas horas de uso sin desgastarse. Además, su superficie lisa evita dañar la tela o marcar el botón durante la costura
Cada prensatelas está fabricado con medidas exactas, lo que permite un ajuste perfectoCatálogo de Patas para Botonadora Brother BSA-010A en la máquina. Esto hace que el trabajo sea más fluido y con mejores resultados Catálogo de Patas para Botonadora Brother BSA-010A
Más velocidad y mejor calidad
Contar con varios tipos de patas te permite cambiar de forma rápida según el tipo de prenda o botón. Esto mejora el ritmo de trabajo y reduce el riesgo de errores. Además, los acabados son más parejos y profesionales Catálogo de Patas para Botonadora Brother BSA-010A
En resumen, el Catálogo de Patas para la Botonadora Brother BSA-010A es una excelente herramienta para quienes buscan precisión, rapidez y buenos resultados al coser botones.
DE PATES BOTONADORA DE BROTHER BSA-010A BOTONADORA
catalogo repuestos de maquinas de coser orduz























































There are no reviews yet.